渗漏检测传感器[放大器内置] EX-F70/EX-F60
迅速检测少量漏液
- 基本信息
- 产品种类
- 详细规格
- 产品尺寸
- 产品用途
- 可选件
迅速检测少量漏液
|
※1
|
※2
|
※3
|
| ※1 | EMC指定适用 |
|---|---|
| ※2 | Recognition认证 |
| ※3 | 认证获得(PNP输出型除外) |
特点
稳定的检测性能 [EX-F70]
|
利用毛细管现象,迅速检测少量的漏液和带粘性的液体。 |
|
体积小、省空间 [EX-F70]
|
为侧面安装式的约10mm薄型,因此在狭小空间内也可使用。 |
|
无需调节灵敏度 [EX-F70]
无需用调节器进行灵敏度调节,因此初始安装非常简单。
操作易检查 [EX-F70]
此传感器配备有一个正常指示灯(绿色),当安装正确时亮起,另外还有一个错误指示灯(红色),当检测到有渗漏或安装错误(忘记安装专用支架)时亮起。因此,工作非常容易检查。
安全设计 [EX-F70]
传感器安装不正确或电缆被切断时,成为非入光状态,可取得与“有渗漏”一样输出。
易安装&重新设置 [EX-F70]
便于安装:SUS安装支架只需用到一个螺丝,PVC安装支架只需要到两个螺丝或一块胶布。漏液后进行复原作业时,也无需更换零件。外形简单,易擦去漏液。
备有PVC安装支架 [EX-F72□]
备有PVC(聚氯乙烯)安装支架。此种安装支架可在能腐蚀普通金属支架的环境中放心使用。
氟树脂制,可放心用于药液 [EX-F60]
|
本体外壳和电缆使用具有耐药性的氟树脂。 硫酸、盐酸等渗漏时也能精确检测。 |
|
易安装&重新设置 [EX-F60]
外形简单,易擦去漏液。并且不用更换零件。
体积小、省空间 [EX-F60]
|
内置放大器, 为厚9mm、宽26mm、高19mm的小型规格。可在狭窄空间使用。 |
|
省配线! 最多可连接8台渗漏检测传感器 [EX-FC1]
渗漏检测传感器EX-F71/F72、EX-F61/F62用的简易省配线单元(普通传感器也能使用)。
最多可将8个渗漏检测传感器的输出组合成单个OR输出,可以实现简洁的配线。
※ 即使只连接有一个渗漏检测传感器,如果传感器检测到渗漏,或部件安装错误时,也会有OFF信号输出。
薄型&小型 [EX-FC1]
本体尺寸为W20×H80×D52mm的薄型紧凑规格,极其节省空间。
使用单触连接器,连接简单 [EX-FC1]
|
连接时只要将渗漏检测传感器的电缆导线插入附带的压接式插针连接器SL-CP1并压接即可。不用剥去导线外壳进行端子加工。 |
|
渗漏检测传感器
| 种类 | 形状 | 检测物体 | 电缆长度 | 型号 | 输出 | |
|---|---|---|---|---|---|---|
|
通 用 |
SUS安装件 型 |
|
水、 Fluorinert™ (注1)(注2) |
2m | EX-F71 |
NPN开路集电极 晶体管 |
| EX-F71-PN |
PNP开路集电极 晶体管 |
|||||
|
PVC安装件 型 |
|
EX-F72 |
NPN开路集电极 晶体管 |
|||
| EX-F72-PN |
PNP开路集电极 晶体管 |
|||||
|
耐 药 品 型 |
PFA安装件 型 |
|
硫酸、盐酸、 磷酸、 氨 等药液 (注1)(注3)(注4) |
3m | EX-F61 |
NPN开路集电极 晶体管 |
| EX-F61-PN |
PNP开路集电极 晶体管 |
|||||
|
PVC安装件 型 |
|
EX-F62 |
NPN开路集电极 晶体管 |
|||
| EX-F62-PN |
PNP开路集电极 晶体管 |
|||||
| (注1): | 有时无法稳定检测高粘度液体。 |
|---|---|
| (注2): | Fluorinert™是美国3M公司的注册商标。 |
| (注3): | 上述液体为代表示例。详情请咨询。 |
| (注4): | 由于检测物体的浓度等不同,PVC安装件有无法使用的情况,详情请咨询。 |
5m电缆长度型
备有5m电缆长度型(标准:2m/3m)。
请在型号末尾加注"-C5"进行订购。
(例)EX-F71-PN的5m电缆长度型为“ EX-F71-PN-C5”
渗漏检测传感器用简易省配线单元
| 形状 | 型号 | 输出 |
|---|---|---|
|
EX-FC1 | 继电器接点1a |
配件(另售)
|
|
|
|||||||||
|
|
|
规格
渗漏检测传感器
| 种类 | 通用 | 耐药品型 | |||
| SUS安装件型 | PVC安装件型 | PFA安装件型 | PVC安装件型 | ||
|
型 号 |
NPN输出 | EX-F71 | EX-F72 | EX-F61 | EX-F62 |
| PNP输出 |
EX-F71 -PN |
EX-F72 -PN |
EX-F61 -PN |
EX-F62 -PN |
|
| 检测物体 | 水、FluorinertTM (注2)(注3) | 硫酸、盐酸、磷酸、氨等的药液(注2)(注4)(注6) | |||
| 电源电圧 | 12〜24V DC±10% 脉动P-P10%以下 | ||||
| 消耗电流 |
10mA以下 (PNP输出型为15mA以下) |
15mA以下 | |||
| 输出 |
NPN开路集电极晶体管 ・最大流入电流: 50mA ・外加电压:30V DC以下(输出和0V之间) ・剩余电压:1V以下(流入电流为50mA时) 0.4V以下(流入电流为16mA时) PNP开路集电极晶体管 ・最大 源电流:50mA ・外加电压:30V DC以下(输出和+V之间) ・剩余电压:1V以下(源电流为50mA时) 0.4V以下(源电流为16mA时) |
||||
| 输出动作 | 正常时ON、漏液时、异常安装时OFF | ||||
| 短路保护 | 配备 | ||||
| 反应时间 | 50ms以下 | ||||
| 错误指示灯 | 红色LED(漏液时、异常安装时亮起) | ||||
| 正常指示灯 | 绿色LED(正常安装时亮起) | ||||
| 保护构造 | IP67(IEC)、防渗漏型(JIS) | ||||
| 使用环境温度 | -10〜+60℃(注意不可结露、结冰),存储时:-20〜+70℃(注5) | ||||
| 使用环境湿度 | 35〜85%RH,存储时:35〜85%RH | ||||
| 使用环境照明度 | 白炽灯:受光面照明度1,000lx以下 | ||||
| 投光元件 | 红外线LED(非调制式) | ||||
| 材质 | 外壳:聚丙烯 | 外壳:PFA | |||
| 电缆 | 0.1mm2 3芯PVC橡皮电缆,长2m | 0.1mm2 3芯PFA橡皮电缆,长3m | |||
| 电缆延长 | 0.3mm2以上的电缆全长可延长至50m | ||||
| 重量 | 本体重量:约25g | 本体重量:约60g | |||
| 附件 |
MS-EX -F7-1(SUS安装件) (注7):1个 |
MS-EX -F7-3 (两点固定用PVC安装件) (注7):1个 MS-EX-F7-2 (粘接用 PVC安装件):1个 |
MS-EX -F6-1 (PFA安装件):1个 |
MS-EX -F6-2 (PVC安装件):1个 |
|
(注1): 无指定时的测量条件为使用环境温度=+20℃。
(注2): 有时无法稳定检测高粘度液体。
(注3): FluorinertTM是美国3M公司的注册商标。
(注4): 上述液体为代表示例。详情请咨询。
(注5): 请将检测液体的温度控制在使用环境温度范围内。
(注6): PVC安装件可能因检测物体的浓度等而无法使用。详情请咨询。
(注7): 由于各传感器的灵敏度设定不同,因此EX-F71(-PN)的安装支架不能与EX-F72(-PN)的互换。
简易省配线单元
| 品名 | 渗漏检测传感器用简易省配线单元 | |
| 型号 | EX-FC1 | |
| 适用连接器 | SL-CP1 | |
| 电源电圧 | 12〜24V DC±10% 脉动P-P10%以下 | |
| 消耗电流 | 50mA以下(部件自身)、135mA以下(包括所有传感器输出ON时的传感器输入电流) | |
| 输出 |
继电器接点1a ・开闭容量:30V 1A DC(电阻负载) ・最小适用负载:10mV 10μA DC ・电子寿命:10万次以上(额定负载、开关频率20次/分) ・机械寿命:5,000万次以上(开关频率180次 /分) |
|
| 输出动作 | 当传感器的输入信号ON时,输出继电器ON | |
| 反应时间 | 5ms以下(不包括传感器的反应时间) | |
| 输入点数 | 8点 | |
|
指 示 灯 |
正常 | 绿色LED×8(当传感器与各个通道连接且连接设定开关为ON时亮起) |
| 异常 | 红色LED×8(当一个与各通道连接的传感器检测到渗漏或传感器安装不正确时亮起) | |
| 输出 | 橙色LED[输出继电器ON(正常)时亮起] | |
| 使用环境温度 | -10〜+60℃(注意不可结露、结冰),存储时:-20〜+70℃ | |
| 使用环境湿度 | 35〜85%RH,存储时:35〜85%RH | |
| 材质 | 外壳:ABS,安装基座:POM,端子部分:PBT | |
| 电缆 | 0.2mm24芯橡皮电缆,长2m | |
| 电缆延长 | 0.3mm2以上的电缆全长可延长至10m不到 | |
| 重量 | 本体重量:约85g | |
| 附件 | SL-CP1(压接式插针连接器) :8个,MS-SL-2(部件安装基座) :1个 | |
(注1): 无指定时的测量条件为使用环境温度=+20℃。
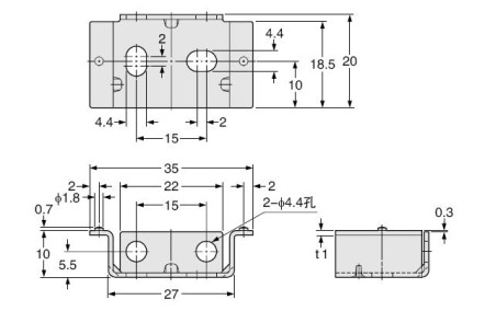
尺寸图
- 单位mm
EX-F71(-PN)
EX-F72(-PN)
外形尺寸图
|
EX-F71(-PN)专用安装件安装图
|
EX-F72(-PN)专用安装件安装图
MS-F7-3/两点固定用
|
MS-EX-F7-2/粘接用
|
EX-F61(-PN)
EX-F62(-PN)
|
EX-F61(-PN)专用安装件安装图
|
|
EX-FC1
渗漏检测传感器用简易省配线单元
|
MS-DIN-3
|






















科恩电气
科恩众和